MODELOS FIAT
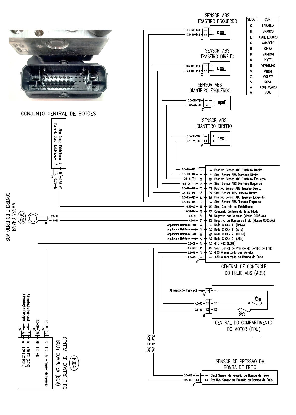
| C�DIGO DE FALHAS - ABS |
| ARGO 1.3 17/ |
| ARGO 19/ |
| ARGO 1.0/1.3 23/ 51124 |
| CRONOS 1.3 17/ |
| CRONOS 1.3 20/ |
| DUCATO 07/10 |
| DUCATO 12/ |
| DUCATO 2.2 23/ 11125 |
| FREMONT 11/ |
|
FREMONT 14/
0117 |
| MOBI |
| PALIO 13/ |
| PULSE 1.0T 22/ 6123 |
| STRADA 1.3/1.4 21/ 00121 |
| TORO 1.8 16/ |
| TORO 1.8 20/ 16624 |
| TORO 2.4 17/ |
|
UNO EVO |
