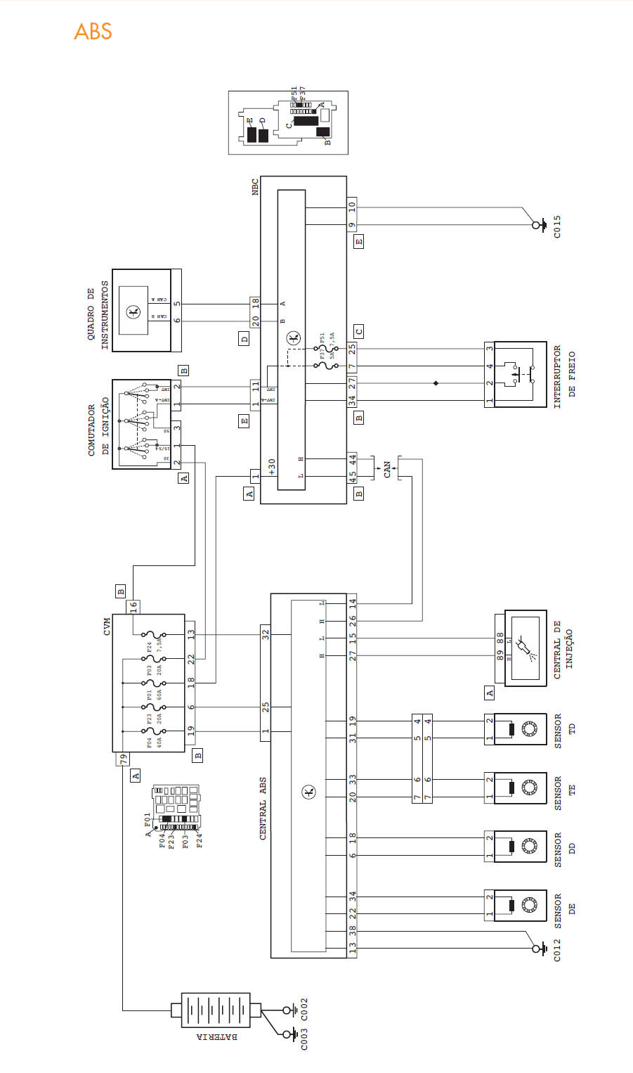
• esquema elétrico ABS
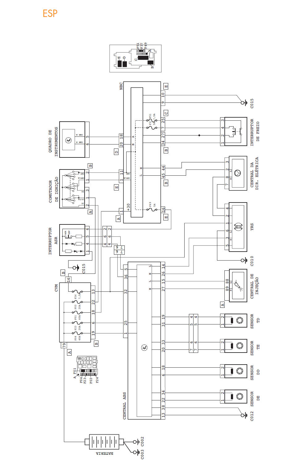
  • esquema elétrico ABS + ESP
  • reles e fusíveis