GM       19520 2723  10125 29125

 

AGILE 09/

BLAZER ABST   VARGA VCVA 152.1

ABS 5.3 E controle de tra��o

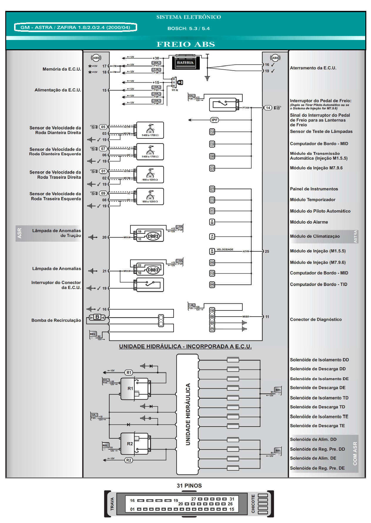
ASTRA 04/

BLAZER 2.8 00/05 diesel

BLAZER 2.8 08/

C20 ABS VARGA VCCW 004.0

CAPTIVA   08/11

CALIBRA ABS BOSCH 2E

CELTA 1.0  15/
CLASSIC 1.0   14/     25723

COBALT 1.4

CORSA GSI ABS LUCAS 4/4F

CORSA SEDAN ABS BOSCH 5.3

CORSA 1.8   04/

CORSA CLASSIC 2012

CRUZE

CRUZE 1.4 TURBO  17/

D20 ABS VARGA VCCW 004.0

EQUINOX 2.0   18/  ABS e CONTROLE DE ESTABILIDADE   10125

MERIVA  1.8   05/

MONTANA 11/

OMEGA ABS BOSCH 2S/3

ONIX   12/
ONIX 1.0  17/
ONIX 1.0 20/         10125
ONIX 1.0 T  22/    29125

S10 ABST VARGA VCVA 152.1

S10 2.8   08/

S10  12/

S10 14/

SILVERADO 4X4 ABS KELSEY - HAYES EBC 310

SILVERADO ABST VARGA   VCVA 157.0

SUPREMA ABS BOSCH 2S/3

SPIN 1.8   20/
Tracker 1.8  12/
TRACKER 1.0  20/

VECTRA at� 1996 ABS BOSCH 2E 

VECTRA 1997 em diante ABS e ASR BOSCH 5.0

ZAFIRA 01/04

DICAS

C�DIGOS DE FALHAS

 

 

 

 

 

 

 

 

 

 

 

 

 

 

 

 

 

 

 

 

 

 

 

 

 

 

 

 

 

 

 

 

 

 

 

 

 

 

 

 

 

 

 

 

 

 

 

 

 

 

 

 

 

 

 

 

 

 

 

 

 

 

 

 

 

 

 

 

 

 

 

 

 

 

 

 

 

 

 

 

 

 

 

 

 

 

 

 

 

 

 

 

 

 

 

 

 

 

 

 

 

 

 

 

 

 

 

 

 

 

 

 

 

 

 

 

 

 

 

 

 

 

 

 

 

 

 

 

 

 

 

 

 

 

 

 

 

 

 

 

 

 

 

 

 

 

 

 

 

 

 

 

 

 

 

 

 

 

 

 

 

 

 

 

 

 

 

 

 

 

 

 

 

 

 

 

 

 

 

 

 

 

 

 

 

 

 

 

 

 

 

 

 

 

 

 

 

 

 

 

 

 

 

 

 

 

 

 

 

 

 

 

 

 

 

 

 

 

 

 

 

 

 

 

 

 

 

 

 

 

 

 

 

 

 

 

 

 

 

 

 

 

 

 

 

 

 

 

 

 

 

 

 

 

 

 

 

 

 

 

 

 

 

 

 

 

 

 

 

 

 

 

 

 

 

 

 

 

 

 

 

 

 

 

 

 

 

 

 

 

 

 

 

 

 

 

 

 

 

 

 

 

 

 

 

 

 

 

 

 

 

 

 

 

 

 

 

 

 

 

 

 

 

 

 

 

 

 

 

 

 

 

 

 

 

 

 

 

 

 

 

 

 

 

 

 

 

 

 

 

 

 

 

 

 

 

 

 

 

 

 

 

 

 

 

 

 

 

 

 

 

 

 

 

 

 

 

 

 

 

 

 

 

 

 

 

 

 

 

 

 

 

 

 

 

 

 

 

 

 

 

 

 

 

 

 

 

 

 

 

 

 

 

 

 

 

 

 

 

 

 

 

 

Nova pagina 1

 

 

 

 

 

 

 

 

 

 

 

 

 

 

 

 

 

 

 

 

 

 

SPIN

 

DIAGRAMA EL�TRICO - FREIOS ABS

 

 

 

 

 

 

 

 

 

 

 

 

 

 

 

 

 

 

 

 

 

 

 

 

 

 

 

 

 

 

 

 

 

 

 

 

 

 

 

 

 

 

 

 

 

 

 

 

 

 

 

 

 

 

 

 

 

 

 

 

 

 

 

 

 

 

 

 

 

 

 

 

 

 

 

 

 

 

 

 

 

 

 

 

 

 

 

 

 

 

 

 

 

 

 

 

 

 

 

 

 

 

 

 

 

 

 

 

 

 

 

 

 

JARBAS