K120F
 
PRINCÍPIOS DE FUNCIONAMENTO
CÓDIGOS DE FALHAS

 

 

 

 

 

 

 

 

 

 

 

 

 

 

 

 

 

 

 

 

 

 

 

 

 

 

 

 

K120

A nova geração de transmissões CVT foi introduzida em 2018 e estreou nos veículos das séries Corolla 210 e RAV4 50.

A principal inovação - engrenagem de lançamento: além da correia metálica entre as polias, um mecanismo de engrenagem é usado na partida, condução em baixas velocidades e ré.

Assim, a engrenagem de lançamento substitui a correia nos modos mais difíceis: a posição extrema quando a correia dobrada opera ao longo do raio mínimo na área de contato mínimo com a polia de acionamento, e enquanto desliza, e partindo de uma parada total.

Formalmente, a faixa de relação da nova transmissão aumentou para 7,5 em vez de 6-6,5, embora a faixa de relação do próprio variador, ao contrário, tenha diminuído para 5,0 - o que claramente beneficiou a correia.

O diâmetro das polias reduziu significativamente, o ângulo da correia (polia) foi reduzido de 11° para 9°, resultando em maior velocidade de deslocamento.

Especificações

K120F
Capacidade de fluido (completa): 8,3-8,6 litros
Tipo de fluido: Toyota genuíno CVT Fluid FE
Relação de transmissão: 3,377 (frente) / 3,136 (reverso) Tamanho da
polia: 2,236 ~ 0,447 Relação
final de medo: 4,262
Peso (com fluido): 90 -91 kg

K320
Capacidade de fluido (completo): 8,4 litros
Tipo de fluido: Toyota genuíno CVT Fluid FE
Relação de transmissão: 3,362 (frente) / 3,120 (ré) Tamanho da
polia: 2,236 ~ 0,447 Relação
final de medo: 4,007
Peso (com fluido): 90 kg


Aisin vs. Jatco

Às vezes você pode ouvir que a Toyota repete o conceito conhecido de Jatco CVT7. De fato, a diferença fundamental da solução Jatco é que um redutor planetário adicional é instalado em série com um variador de correia em funcionamento constante, enquanto a Aisin instalou um trem de engrenagens paralelo ao variador e funciona de forma alternada.

O mérito do Jatco pode ser reconhecido como a maior faixa de relação contínua (7,3 ou 8,7), mas a área do CVT7 é limitada - carros pequenos com torque do motor dentro de 150 nm.

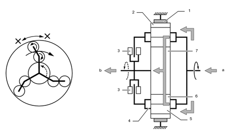
Modo de cinto / modo de engrenagem

K120F. 

1 - eixo de entrada,

2 - redutor planetário,

3 - freio B1,

4 - embreagem C1,

5 - polia primária,

6 - polia secundária,

7 - embreagem C2,

8 - engrenagem de acionamento #1,

9 - engrenagem acionada #1, 1

0 - mecanismo sincronizador,

11 - engrenagem de acionamento #2,

12 - engrenagem acionada #2,

13 - engrenagem de acionamento de redução,

14 - engrenagem acionada de redução,

15 - pinhão de acionamento diferencial,

16 - engrenagem de anel diferencial

Ao engatar/desengatar a embreagem C1 e a embreagem C2, a transmissão alterna entre a correia e o modo de marcha.

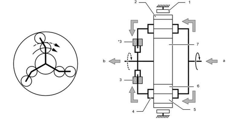
K120F. 

1 - eixo de entrada,

2 - engrenagem de acionamento #1,

3 - sincronizado,

4 - engrenagem de acionamento #2,

5 - embreagem C1,

6 - freio B1,

7 - engrenagem acionada #2,

8 - engrenagem de acionamento de redução,

9 - acionado por redução engrenagem,

10 - pinhão diferencial,

11 - engrenagem anelar diferencial,

12 - polia primária,

13 - polia secundária,

14 - correia de aço,

15 - embreagem C2. a - tipo de engrenagem, b - tipo de correia
 


 

O modo de marcha é usado quando o veículo arranca, em baixa velocidade ou ré.

O sincronizador engata/desengata a engrenagem movida #1 e a engrenagem motriz #2. O sistema controla o eixo do garfo de mudança e o sincronizador variando a pressão do óleo. O engate/liberação do sincronizador é controlado pelo sensor de curso (posição do eixo do garfo de mudança).

Modo de marcha: desengatar a embreagem C2, acionar a embreagem C1 ou o freio B1 (o veículo arranca, está sendo conduzido em baixas velocidades ou está em marcha à ré). A energia é transmitida da engrenagem solar através da engrenagem de acionamento #1 para o mecanismo do tipo de engrenagem e, em seguida, para o mecanismo de engrenagem de acionamento de redução através da engrenagem acionada #2.

Modo de correia: engatar a embreagem C2, desengatar a embreagem C1 e o freio B1. Ao desengatar a embreagem C1 e o freio B1, a engrenagem planetária é desengatada e o torque do motor é transmitido ao mecanismo tipo correia. A potência é transmitida da polia primária para a polia secundária através da correia e depois para a engrenagem de redução através da embreagem C2.
 

Condução

para a frente/para trás O interruptor para a frente/para trás está a funcionar por engrenagem planetária, embreagem C1, travão B1.

1 - freio B1,

2 - embreagem C1,

3 - coroa,

4 - pinhão nº 1,

5 - engrenagem solar,

6 - pinhão nº 2,

7 - suporte planetário

Movimento para frente: a embreagem C1 conecta o eixo de entrada com o transportador planetário, então o torque é enviado para a engrenagem solar.

1 - freio B1 (desligado),

2 - coroa,

3 - embreagem C1 (ligado),

4 - suporte planetário,

5 - pinhão nº 2,

6 - pinhão nº 1,

7 - engrenagem solar. a - entrada, b - saída

Movimento reverso: O freio B1 mantém a coroa estacionária, o torque do motor é introduzido no transportador planetário e é enviado para a engrenagem solar com rotação inversa.

1 - freio B1 (ligado),

2 - coroa,

3 - embreagem C1 (desligado),

4 - suporte planetário,

5 - pinhão nº 2,

6 - pinhão nº 1,

7 - engrenagem solar. a - entrada, b - saída

Modos de condução

Gama D (arranque e condução a baixa velocidade): Travão B1 - desligado, embreagem C1 - ligado, embreagem C2 - desligado, sincronizador - engatado

Faixa D (relação da polia baixa): freio B1 - desligado, embreagem C1 - desligada, embreagem C2 - ligada, sincronizador - desengatado

Faixa D (relação da polia alta): freio B1 - desligado, embreagem C1 - desligada, embreagem C2 - ligada, sincronizador - desengatado

Faixa N: freio B1 - desligado, embreagem C1 - desligada, embreagem C2 - desligada, sincronizador - desengatado
 

 

Faixa R: freio B1 - ligado, embreagem C1 - desligada, embreagem C2 - desligada, sincronizador - engatado

Componentes

O redutor reduz a rotação da polia secundária e transmite a potência da polia secundária ao diferencial. No novo CVT, a engrenagem motriz é suportada por rolamentos de esferas em vez de rolamentos de rolos mais antigos.

K120F. 1 - engrenagem motriz,

2 - rolamento,

3 - engrenagem acionada,

4 - pinhão diferencial

A nova CVT obteve uma bomba de óleo tipo palheta, acionada por corrente a partir do eixo de entrada. O acionamento por corrente da bomba é utilizado nas modernas transmissões Aisin, que são consideradas mais progressivas em comparação com as clássicas (não aumentam o comprimento da transmissão, não limitam o diâmetro mínimo do rotor pelas dimensões do eixo de entrada e proporcionam considerável liberdade de manobra no layout e design).

1 - suporte dianteiro,

2 - pinhão de acionamento,

3 - pinhão acionado,

4 - corpo da bomba de óleo,

5 - anel de came, 6 - rotor,

7 - caixa da bomba de óleo,

8 - palheta. a - porta de entrada, b - porta de descarga de baixa pressão, c - porta de descarga de alta pressão

O conversor de torque padrão com embreagem de travamento flexível.

1 - impulsor da bomba,

2 - estator,

3 - rotor da turbina,

4 - amortecedor de travamento,

5 - embreagem de travamento

A tampa lateral de resina leve virou para a frente do veículo.

Modelos com sistema stop-start possuem bomba de óleo elétrica CVT.

A bomba elétrica foi projetada para manter uma pressão estável no sistema hidráulico CVT quando o motor é desligado pelo sistema stop-start e para garantir a partida suave subsequente.

Está instalado na tampa do CVT e não é fornecido separadamente em peças sobressalentes. É controlado pelo sinal PWM da unidade de controle do sistema stop-start.

1 - rotor da bomba,

2 - ímã,

3 - estator,

4 - garfo,

5 - eixo,

6 - acionador do motor da bomba de óleo. a - seção do acionador do motor da bomba de óleo, b - seção do motor DC sem sensor e sem escovas, c - seção da bomba de óleo.

O aquecedor de fluido CVT (resfriador de óleo) usa o líquido de arrefecimento do motor para aquecer o fluido CVT rapidamente e mantê-lo dentro dos limites adequados. O radiador de óleo é instalado diretamente na transmissão.


 

Sistema de controle

CVT K120F. 

1 - sensor de rotação da transmissão (NC1),

2 - sensor de curso da embreagem,

3 - interruptor pnp,

4 - sensor de rotação da transmissão (NOUT),

5 - sensor de rotação da transmissão (NSS),

6 - sensor de pressão do óleo,

7 - sensor de rotação da transmissão ( NT),

8 - Aquecedor de fluido CVT (resfriador de óleo da transmissão),

9 - Sensor de temperatura do fluido CVT,

10 - solenoide SLU,

11 - solenoide SL2,

12 - solenoide SL1,

13 - solenoide SLG,

14 - solenoide SLP,

15 - solenoide SLS ,

16 - bomba elétrica
 


CVT K120F. 

1 - interruptor do paddle shift,

 2 - interruptor da almofada de direção,

3 - medidor combinado,

4 - interruptor da luz de freio,

5 - DLC3,

6 - sensor do pedal do acelerador,

7 - airbag ECU/sensor yawrate/sensor de desaceleração,

8 - mudança de piso,

9 - interruptor de controle de transmissão,

10 - ECU de gateway central,

11 - controle e painel de integração,

12 - amplificador A/C. a - Interruptor de modo ECO, b - Interruptor de modo normal, c - Interruptor de modo esportivo, d - Interruptor de modo neve
 


 

 

Toyota DTC Causa
P033531 Sensor de posição do virabrequim A sem sinal
P050031 Sensor de velocidade do veículo A sem sinal
P060747 Banco de desempenho do módulo de controle 1 watchdog/segurança MCU Falha
P061347 Falha no watchdog/safety MCU do processador TCM
P061512 Circuito do relé de partida em curto com a bateria
P070312 Interruptor do freio B em curto com a bateria
P070513 Sensor da faixa de transmissão Um circuito aberto
P070562 Sensor de alcance de transmissão Falha de comparação de sinal
P071000 Sensor de temperatura do fluido de transmissão Faixa/desempenho do circuito
P071011 Sensor de temperatura do fluido da transmissão Um circuito em curto com o terra
P071015 Sensor de temperatura do fluido da transmissão Um circuito em curto com a bateria ou aberto
P071512 Sensor de velocidade de entrada/turbina Um circuito em curto com a bateria
P071514 Sensor de velocidade de entrada/turbina um circuito em curto com o terra ou aberto
P071531 Sensor de velocidade de entrada/turbina sem sinal
P072012 Circuito do sensor de velocidade de saída em curto com a bateria
P072014 Circuito do sensor de velocidade de saída em curto com o terra ou aberto
P072031 Sensor de velocidade de saída sem sinal
P074512 Solenóide de controle de pressão um circuito em curto com a bateria
P074514 Solenóide de controle de pressão um circuito em curto com o terra ou aberto
P07457F Solenóide de controle de pressão um atuador travado
P077512 Circuito do solenóide de controle de pressão b em curto com a bateria
P077514 Circuito do solenóide de controle de pressão b em curto com o terra ou aberto
P07757F Atuador solenóide de controle de pressão b travado
P084000 Sensor/interruptor de pressão do fluido de transmissão uma faixa de circuito/desempenho
P084011 Sensor de pressão do fluido de transmissão/interruptor de um circuito em curto com o terra
P084015 Sensor de pressão do fluido de transmissão/interruptor um circuito em curto com a bateria ou aberto
P08C312 Circuito do solenóide de controle de pressão m em curto com a bateria
P08C314 Solenóide de controle de pressão m circuito em curto com o terra ou aberto
P08C37F Atuador do solenóide de controle de pressão m travado
P091400 Faixa/desempenho do circuito de posição de mudança de marcha
P091412 Circuito de posição de mudança de marcha em curto com a bateria
P091414 Circuito de posição de mudança de marcha em curto com o terra ou aberto
P158504 Falha interna do sistema do circuito do sensor de aceleração
P158549 Falha eletrônica interna do circuito do sensor de aceleração
P158649 Faixa do circuito do sensor de aceleração / falha eletrônica interna de desempenho
P158900 Valor de aprendizado do sensor de aceleração
P17029F Circuito de desligamento de operação de solenóides AT travado
P170300 Mau funcionamento da saída do solenóide AT
P175009 Mau funcionamento da ECU do freio
P274512 Circuito do sensor de velocidade do eixo intermediário b em curto com a bateria
P274514 Sensor de velocidade do eixo intermediário b circuito em curto com o terra ou aberto
P274531 Sensor de velocidade do eixo intermediário b sem sinal
P274912 Circuito do sensor de velocidade do eixo intermediário c curto com a bateria
P274914 Circuito do sensor de velocidade do eixo intermediário c curto com o terra ou aberto
P274931 Sensor de velocidade do eixo intermediário c sem sinal
P275600 Desempenho do circuito de controle do solenóide de controle de pressão da embreagem do conversor de torque/emperrado
P275612 Circuito de controle do solenóide de controle de pressão da embreagem do conversor de torque em curto com a bateria
P275614 Circuito de controle do solenóide de controle de pressão da embreagem do conversor de torque em curto com o terra ou aberto
P27567E Atuador de controle do solenóide de controle de pressão da embreagem do conversor de torque preso
P281F00 Desempenho do solenóide de controle de pressão / travado (2 disparos detectados)
P281F12 Circuito do solenóide de controle de pressão j em curto com a bateria
P281F14 Circuito do solenóide de controle de pressão j em curto com o terra ou aberto
P281F71 Solenóide de controle de pressão j desempenho/atuador preso
P282812 Circuito k do solenóide de controle de pressão em curto com a bateria
P282814 Circuito k do solenóide de controle de pressão em curto com o terra ou aberto
P28287F Atuador do solenóide de controle de pressão k travado
U010087 Perda de comunicação com o ECM/PCM Uma mensagem ausente
U012587 Perda de comunicação com o módulo do sensor de aceleração multieixo faltando mensagem
U012987 Perda de comunicação com o módulo de controle do sistema de freio mensagem ausente
U110387 Perda de comunicação com a mensagem ausente do módulo de controle de parada e partida